Hello! Shenzhen Win-drive Automation Equipment Co., Ltd. welcomes you!
    0755-82113520、13823217507(WeChat)Site map|Legal Notice|Chinese
    Service
    Service
    Current location: Home Service Blueprint download WPLPE50 planetary gearbox standard model drawing download
    WPLPE50 planetary gearbox standard model drawing download

    2022-05-06|admin

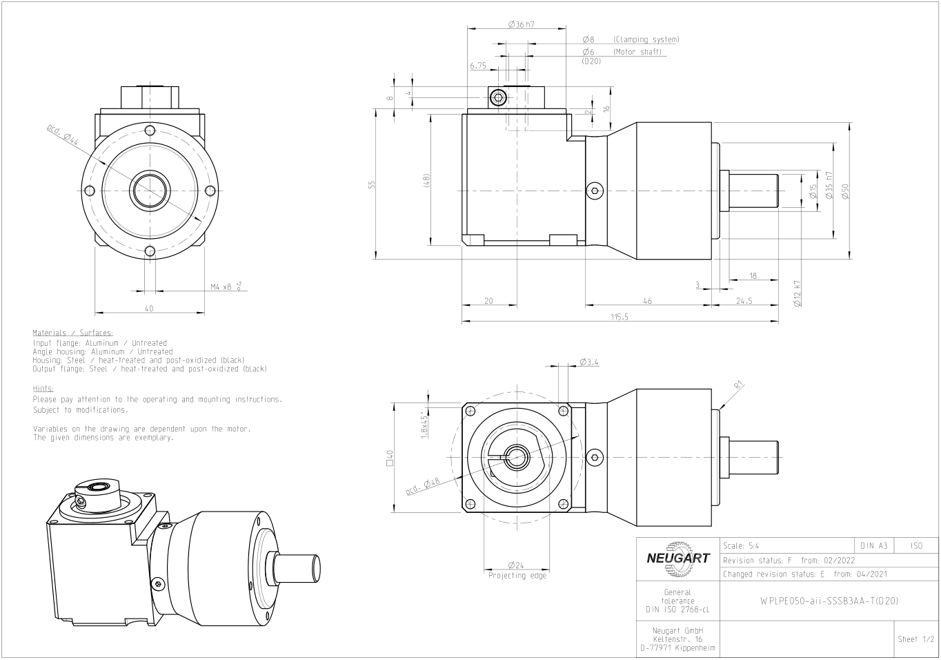
    WPLPE right-angle planetary gearbox has the characteristics of small size, light weight, strong performance, suitable for working conditions with large bearing capacity, and the driving element can be directly installed on the output shaft. The right-angle gearbox is suitable for use in scenarios with limited installation space. Different types of speed ratios are used in different industries. According to the size chart of the right-angle planetary gearbox, the corresponding motor and other transmission methods can be adapted.

    Newcastle gearbox series right-angle planetary gearbox has a complete range of dimension drawings and various models. You can contact the technical download.


    WPLPE050 structural dimension drawing:


    WPLPE結(jié)構(gòu)尺寸圖.png



    Download the dimension drawing of WPLPE right angle gearbox:

    WPLPE050 Reference Drawings.zip

    WPLPE070 Reference Drawings.zip

    WPLPE090 Reference Drawings.zip

    WPLPE120 Reference Drawings.zip


    Tel: 0755-82113520, 13823217507  
    E-mail: sales@sz -windrive. com  
    URL: www.ylry.cn com  
    Address: room 406, MaoYuan building, No. 9, Songyuan Road, Guiyuan street, Luohu District, Shenzhen  

    WeChat

    Links
    Shenzhen Win-Drive Automation Equipment Co., Ltd.  ALL RIGHT RESERVED 粵ICP備12016317號